Building Engineering Services: Difference between revisions
| Line 602: | Line 602: | ||
[[File:Picture 1.png|left|thumb|500x500px|Hot water generation system|alt=]] | [[File:Picture 1.png|left|thumb|500x500px|Hot water generation system|alt=]] | ||
<br /> | <br /> | ||
Revision as of 13:51, 8 September 2020
This page or section needs to be cleaned up. |
Please help to expand this page. |
POLICY AND SERVICE CONTEXT
Overview
Many of the Building Engineering Services of a health facility have specialised needs within the context of healthcare provision and infection prevention and control. Specialist needs may include a combination of hygiene, redundancy and contamination-control requirements over and above the normal best engineering practice.
The Building Engineering Services dealt with in this document include: ventilation systems, wet services, gas and vacuum services, electrical services and electronic services. The primary function of this document is to provide terms of reference to designers who are contacted to develop building engineering services systems. This document does not serve as a principal facility planning guide but as a best-practice guide within any planned level of healthcare service.
“This document describes engineering design, installation and commissioning principles in terms of current specialist clinical, contamination control and maintenance requirements“
Policy and Service Context
Context
This document serves as guidance in the development of all levels of the healthcare facility. Certain sections may not be applicable to all considered levels of facility although, where a certain engineering service is supplied, that service shall be developed in accordance with the guiding principles contained herein.
Design principles
This document will detail design principles within the scope of services described in the Engineering Council of South Africa’s gazetted Guideline scope of services and tariff of fees in terms of the Engineering Professions Act (46 of 200). This document will also describe design, installation and commissioning principles in terms of current specialist clinical, contamination-control and maintenance requirements. While this document details design requirements and acceptance criteria which have an impact on clinical services, these requirements are prescribed within the framework of the entire IUSS set of guidance documents, and cannot be viewed in isolation. The following documents should be complied with, together with this document:
Within the South African healthcare context, many clinical and administrative zones may be subject to infection prevention and control measures with particular consideration for airborne contamination control.
| Clinical services | Essential | Recommended | Support Services | Essential | Recommended | Healthcare environment/
Crosscutting issues |
Essential | Recommended | Procurement &
Operation |
Essential | Recommended |
|---|---|---|---|---|---|---|---|---|---|---|---|
| Impatient services | X | Administration & related services | Generic room data | X | Integrated infrastructure planning | X | |||||
| Laboratories | X | General hospital support services | Hospital design principles | X | Project planning & briefing | X | |||||
| Mental Health Services | Catering services | Engineering design principles | X | Space guidelines | |||||||
| Critical care | Laundry and Linen | Environment and sustainability | X | Cost Guidelines | X | ||||||
| Emergency centres | Mortuary | X | Materials & finishes | X | Procurement liaison | ||||||
| Obstetrics & gynaecology | Nursing colleges | Future healthcare environments | X | Commissioning | X | ||||||
| Oncology | Health facility residential | Healthcare technology | Maintenance | X | |||||||
| Outpatient services | X | Sterile supply | X | Inclusive environments | X | Decommissioning | X | ||||
| Paediatrics | Clinical training | Infection prevention & control | X | Capacity development | X | ||||||
| Pharmacy | Waste disposal | X | Health informatix | ||||||||
| Primary health care | Regulations | X | |||||||||
| Diagnostic radiology | X | ||||||||||
| Rehabilitation services | |||||||||||
| Sub-acute services | |||||||||||
| Surgery | X | ||||||||||
| TB | X |
Where this document lacks guidance on a topic or appears to contradict the requirements of the guidelines identified above, the guidance of those documents will take priority.
Service Context
Levels of care
- “Levels of Care” is discussed in detail in the Project Planning and Briefing document. The Building Engineering Services document does not prescribe levels of care within the healthcare system and does not delineate the application of technology within these levels. It intends only to describe the building engineering services and technical aspects that should be considered from the concept development to the closeout and handover stages of the project. It is not incumbent on the engineer to prescribe appropriate levels of care and this subject is therefore not addressed herein. The allocation of appropriate technologies and services within the prescribed levels of care is a function of the engineer during the facility-planning stage as described by this document.
- In this document, where three distinct options are made describing system quantities or capacities, these are to be interpreted as the minimum acceptable standard, recommended best practice, and maximum practical limit respectively. Where only two options are given, these are to be interpreted as the minimum standard and best practice respectively. Where only one option is given, this is to be interpreted as the minimum acceptable standard. The reader is cautioned not to interpret these capacity standards as levels of care.
-
King George V (KZN 2013)
PLANNING AND DESIGN
Overview
The national and provincial service and policy context should be the basic determinant of planning and design principles in the public sector
The national and provincial service and policy context (Part A of this document) is the basic determinant of planning and design principles in the public sector. In the private sector, planning and design will have determinants as defined by the service provider, within certain minimum prescribed limits. Part B describes the scope of planning and design guidance, design considerations and functional relationships between engineering systems. These principles are subsequently developed into a series of Design Specifications (Part C), Commissioning, Handover and Decommissioning (Part D) including some case studies (Part E). Parts C, D and E are intended to demonstrate how the principles prescribed in Part B should be applied. Parts C and D, if used directly, are deemed to satisfy the principles developed in Part B, but are not the only acceptable solutions. Case studies (Part E) are for illustrative purposes, to demonstrate worked solutions and should not be adopted without appropriate contextual adaptation
Stages of design and implementation
- It is critical that building engineering services professionals involve themselves in the early stages of a project’s initial planning, studies, investigations and assessments. Exclusion or late inclusion of an engineering team from the planning stages of a multi-disciplinary construction project presents a considerable risk of resulting, not in savings, but fruitless expenditure, design delays and ultimately compromises in the functional and build quality of the product.
- The scoping and broad coordination of services is invaluable during concept development, and the value-added through the early inclusion of building services professionals is frequently underestimated.
- Briefing authorities or developers are therefore encouraged to ensure that the client’s representative consults with a team of engineering professionals during the earliest project-planning stages. The deliverables of the concept and viability study stages should, therefore, include the following:
- Summaries of collated information
- Reports on technical feasibility, benefits and risks
- Reports on regulatory compliance issues
- Reports on financial feasibility and risks
- List of consents and approvals required
- Schedule of additional surveys, tests, analyses, studies and investigations.
- The Guideline Scope of Services and Tariff of Fees for Persons Registered in Terms of the Engineering Profession Act 46 of 2000 (2012) defines the following as within the Normal Scope of Professional Services.
- INCEPTION
- At the inception stage, the client’s requirements and needs are established. The project brief is established and the professional team is appointed. The professional team should contribute towards developing the project brief and concluding the terms of its appointment. Here the professional team should advise on criteria that could significantly impact on the project life cycle cost.
- CONCEPT AND VIABILITY STUDY
- At the Concept and Viability study stage, the preliminary design details and cost estimates should be finalised. This should be concluded in accordance with the project brief.
- A Preliminary design report would include the:
- Concept design
- Process design
- Schedule of design assumptions, required surveys, tests, reports and investigations
- Preliminary design details
- Installation and life cycle cost estimates
- DESIGN DEVELOPMENT / DETAIL DESIGN
- During design development the design team will further develop the concept to realise the following:
- Finalised design
- Detail specification outline
- Financial plan
- Project programme.
- During design development the design team will further develop the concept to realise the following:
- DOCUMENTATION AND PROCUREMENT
- This stage is often combined with the design development stage.
- Its deliverables include:
- Procurement and construction documentation and specifications
- Application of timeous procurement strategies appropriate for the project
- Assisting in the tender evaluation of detailed services and samples for compliance with the design intent.
- CONTRACT ADMINISTRATION AND INSPECTION
- This stage includes the management and administration of the construction contracts and works to facilitate practical completion in accordance with the design intent.
- CLOSEOUT
- Closeout deliverables include:
- Final works-completion lists
- Financial reports and final accounts
- Facilitation in development of Operation and Maintenance Manuals (O&Ms), warranties and guarantees.
- As-built drawings
- Closeout deliverables include:
- INCEPTION
Design Questions
In order for the engineer to satisfactorily fulfil the user’s requirements, the following list of questions should be asked, answered and understood by the professional services team.
“Engineers responsible for the design of environmental control systems require guidelines and standards, in order to derive at and to specify appropriate solutions to the problem of building related illness (BRI) in occupied spaces.” -Dr S. A Parsons 2002
- Is the building service required, and why?
- What options are available?
- What is the service’s required performance?
- What is the service’s expected lifespan?
- What is needed in terms of energy management?
- What are the expected service consumption rates?
- What are the expected occupancy profiles per planning unit, considering:
- Patient and staff numbers?
- Peak occupancy times?
- Airborne infection risk profile?
- Seasonal occupancy profiles?
- What are service distribution constraints, considering:
- Location
- Space?
- Fire protection and regulations?
- Services coordination?
- Access for maintenance and operations?
- Repair replacement and refurbishment?
- What are the minimum component/system requirements?
- What are the specific requirements regarding functional controls?
- What are validation and testing requirements
- What are the Maintenance and operational requirements?
- Commissioning and handover requirements
- Special requirements for test and balance documents and certificates
Design considerations
Deep buildings
Deep buildings inevitably result in some measure of ventilation being required within the core areas. Where deep buildings cannot be avoided, the extent of building ventilation can be minimised by planning the deep-core areas as those that require specialist ventilation systems and which could not be served by natural ventilation.
Plant and plant room size and location
Noisy and vibrating equipment shall not be placed near, above or below sensitive areas such as operating rooms and ICUs. They shall be designed and located so as to give sufficient reduction in noise and vibration.
Plant rooms shall be designed such that there is safe access to equipment for maintenance and repair activities. Plant rooms shall be located away from possible heat and contamination sources.
Plant rooms shall be located in an accessible area which is secured from unauthorized entry
Where plant room equipment presents a potential source of airborne contamination (e.g. Legionella and vacuum exhaust) the location of the plant room shall be such that contaminated air is not carried into occupied spaces and air inlets.
Life cycle cost determination
When planning and designing building engineering services, the engineer shall take cognisance of the service context within which the facility is placed. As part of the financial plan, outlined in the concept and viability study stage, the engineer will assist in developing the facility’s life cycle cost by giving input into the life cycle cost estimates for the services within the engineer’s responsibility. This financial plan shall be finalised as a deliverable of the detail design stage.
Environmental life cycle planning is a critical element of the life cycle planning but should be considered as a service additional to the scope of the normal prescribed services.
Site-survey requirements
In order for the engineer to plan adequately, a detailed site survey will need to be conducted to present essential planning information. These factors need to be weighed against the level of service to be provided.
The National Department of Public Works has developed a comprehensive site-survey model for the completion of this task (Citation needed). The following list summarises the information that needs to be developed.
- Geotechnical considerations
- Availability, quantity and quality of mobile phone reception
- Availability, quantity and quality of services such as:
- Electricity
- Water supply
- Drainage conditions
- Gas
- Land and air transport
- Outsourced laundry and catering services
- Proximity to additional social services
Maintenance Considerations
Maintenance failures within the building services of the healthcare environment have the potential for severe consequences. Services should be designed with this in mind.
The design should consider the financial and environmental impact of disposable and reusable components within the planned maintenance regime. Reporting on the financial aspects of the life cycle plan is required within the normal scope of services of the planning and design project stages.
In the development of healthcare building engineering services the designer should consider the following maintenance challenges when designing systems and planning maintenance regimes:
- Where highly specialised services are installed in remote areas, it becomes difficult to source the requisite level of technical skills and, as a result, either maintenance costs rise or the serviceable life of these systems is decreased.
- The availability of spares and contracted technical services becomes problematic in remote locations and this leads to difficulties with unscheduled maintenance and extended callout response times.
- Routine and unscheduled maintenance may need to be performed with a system in operation, with minimal down-time. This should be considered when planning levels of redundancy.
- Routine and unscheduled maintenance should not have a negative impact of the service levels of healthcare. Where IPC and cross-infection risks are high, systems should be designed such that the maintenance staff can complete their work without affecting staff or patient safety.
- For further guidance on health-facility maintenance, the IUSS Health Facilities Maintenance guidance document should be referred to.
Planning for Retrofitting & Decommissioning
While engineering systems may have a functional life of 20 to 25 years, healthcare buildings could have a life of 50 years. It is therefore likely that engineering services would need to be decommissioned, retrofitted, and replaced at least once during the life of a building, and these interventions should be planned for.
Projects with a retrofitting element shall include for the formal decommissioning of equipment or services which become redundant or obsolete as a result of the retrofitting project or can be conveniently decommissioned within the project. Decommissioning of any assets shall be undertaken in accordance with the Public Finance Management Act 1 of 1999, the Generally Accepted Accounting Practice, the Companies Act of 2006 and principles of good corporate governance.
When planning for retrofitting and decommissioning, consideration should be given to the following aspects:
- Development and implementation of a risk assessment and hazard control plan.
- Identification of clinician and IPC manager with authority to approve or halt construction activities under defined conditions.
- Power requirements for future expansions and installations.
- Emerging healthcare technologies.
- Space for removal and refitting of equipment.
- Materials of construction for recycling potential and disposal.
- Toxicity and environmental impact of gases, paints and polymers.
- Specific healthcare services risks (IPC, etc).
- Occupational Health and Safety Regulations and requirements.
A risk assessment shall consider the following aspects:
- Identification of occupancy groups which are susceptible to risks.
- Identification of building services, such as ventilation, in the proximity of the construction activity and the potential impact on function. Specific consideration should be given to specialist ventilation systems.
- Need for supplementary protection or support systems for building services.
- Impact on fire-protection and -response systems, and action plans.
- Impact of noise and vibration on occupants and equipment.
Opportunistic environmental or airborne microorganisms and allergens, which are liberated or distributed during retrofitting and decommissioning activities, can present a significant hazard to patients and employees unusually at risk. Where the environmental and risk assessments identify the need for intervention or mitigating controls, the following shall be considered:
- Establishment of rigid non-permeable barriers between patients or staff and construction activities during construction, with the inclusion of appropriate “airlocks” where traffic between occupied and construction areas is required.
- Increased ventilation rates and ventilation efficiency to areas at risk.
- Extraction and filtration systems serving the construction area. Where there is a chance of re-entrainment of diluted exhausted air, a minimum of an EN779-F9 filter should be installed as the final filtration stage. Where air is actively re-circulated it should be filtered with at least an EN1822-H13 final filter.
- Establishment of a protective pressure cascade or airflow direction between zones.
For further guidance on the decommissioning of health facilities, the Health Decommissioning and Disposal of Health Facilities and Health Technology guidance document should be referred to.
Sustainability & Environmental Measures
Design Life cycle
Sustainability in designs for new health facilities can be addressed through the following steps:
- Target setting: Challenging but realistic sustainability targets should be set for the building and agreed with all of the key stakeholders of the project, including the design team, the facilities manager and the funder or owner of the building. Targets should take into account government policy and strategies, as well as local and international best practice.
- Design principles: Strategies and design principles required to achieve these sustainability objectives should be understood and established from the outset. For instance, energy targets may require passive environmental control strategies to be well understood and established from the outset. These strategies and their implications can be understood through an analysis of best-practice examples and precedents.
- Integrated design: Once targets and design principles have been established, an integrated design process should be used to ensure that all aspects of the building work together to achieve the required performance. This requires different disciplines to work closely together.
- Testing: Throughout the design process, checks should be carried out to ensure that the targets set will be achieved. This can be done through calculations, modelling and analysis which assesses performance against targets set. Where aspects of the design are found not to meet targets, a re-evaluation of the design should be carried out and, in an iterative and integrated way, improved to ensure that the performance achieves, or surpasses, targets set.
- Detailed design and implementation: It is important to ensure that the design principles set out are carried out in detail, or this may affect operational performance. This includes, for instance, seemingly insignificant details such as appropriate locations for switches, labels and instructions.
- Handover: On completion, effective processes should be followed to ensure that design intentions are carried through into building operation. This includes effective commissioning, handover and training processes which ensure that designers, subcontractors and suppliers transfer knowledge and skills to facilities managers to ensure effective management of the building.
Refer to Sustainability Guide for further information on sustainability.
DESIGN SPECIFICATIONS
Design considerations
Best engineering practices for the design, specification, testing and management of wet services, vacuum, medical gases, building electrical, electronic, and lighting and ventilation systems are contained in this guide. This guide also defines applicable local and international informative standards and describes regulatory aspects for consideration.
Heating ventilation and air-conditioning
Airborne-precaution risk classification for healthcare zones
| Patient/Staff Susceptibility to Infection** | ||||
|---|---|---|---|---|
| Low | Moderate | High | ||
| Potential for cross infection* | High |
|
|
|
| Moderate |
|
|
| |
| Low |
|
|
controls
| |
For this reason, a burden is placed on the building services design to ensure that the utilities and services provided do not hinder efforts to manage airborne-infection control
The matrix presented above is proposed for consideration when planning mechanical building ventilation for airborne IPC.
Table 24.5 gives further guidance on ventilation rates for specific areas.
For further information regarding the requirements for airborne-infection precaution rooms, refer to Part C, Section 23.3 of this document and the Infection Prevention and Control.
South Africa does not have a uniform formal policy regarding the classification and design of infection prevention and control zones. Provision of multi-bed patient accommodation and internal waiting areas for outpatients is common practice in South Africa.
Ventilation requirements
Natural ventilation
Due to the high capital outlay required, medical facilities in countries defined as developing, such as South Africa, are generally not provided with “traditional” engineering control measures, such as ventilation, to achieve acceptable environmental management. -Dr S A Parsons, 2002
- Natural ventilation is driven by a combination of thermo-convective or buoyancy effects and wind pressure. Since the drivers of natural ventilation are inherently variable, natural ventilation has high variability in effectiveness.
- In addition to the variability of the drivers of natural ventilation, the responses of the occupants of a space, by opening and closing windows and doors, could have a negative impact on predicting a natural ventilation system’s performance. For this reason, it is recommended that, where natural ventilation is considered as the primary ventilation mode, dedicated and controlled ventilation openings are designed and created in the building.
- For additional guidance on natural ventilation design, the CIBSE Applications Manual AM10, WHO Natural ventilation for infection control in health-care settings or similar manuals can be consulted[1][2]
- Peak and minimum internal temperatures for summer and wintertime respectively should be calculated or thermally modelled for space.
- The design parameters for internal spaces can be found in the detailed room-requirement sheets of the guidance documents of the various functional units. Where these room-requirement sheets are absent or lacking adequate information, the data contained in this document may be used.
- Where the internal design condition cannot be met, the following additional design interventions should be considered for implementation, singly or in combination, in the listed order of preference :
- Reduce solar and internal heat gains
- Using thermal mass to move room temperature extremes to outside of occupancy periods.
- Change occupancy schedules seasonally to improve indoor comfort conditions (e.g. shift consultation hours from or towards the warmest daytime hours during summer or winter respectively)
- Introducing passive cooling or heating strategies
- Increasing ventilation rates
- Providing mechanical cooling or heating
- Where natural ventilation alone cannot achieve the required air quality, quantity and consistency, mixed-mode ventilation shall be considered as a solution preferred over full mechanical ventilation.
Mixed-mode ventilation is considered an assisted type of natural ventilation. Here fans are used in combination with damper-controlled ventilation openings to ensure minimum ventilation rates are achieved. - Where mixed-mode ventilation cannot achieve the required air quality, quantity or consistency, mechanical ventilation may be considered as a solution.
Mechanical ventilation and air-conditioning
- Where the quantity and quality of air within a space can be maintained to a satisfactory degree of consistency, natural ventilation should always be the preferred solution.
- The design parameters for internal spaces should be found in the detailed room-requirement sheets published in the individual IUSS guidance documents of the various functional units.
- Where these room-requirement sheets are absent or lacking adequate information, the data contained in this document may be used.
Temperature, Relative Humidity (RH) and fresh air requirements
- The adaptive approach to thermal comfort will result in designs with broader acceptable temperature ranges and thereby greater energy efficiency[3]. The following aspects have been found to influence the perception of thermal comfort in a space
- Climate and social custom
- Rate of temperature drift >1°C daily and 3°C weekly
- Exponentially time-weighted mean outdoor temperatures
- For the majority of occupied spaces, unless otherwise indicated, a temperature range of 18-28°C is acceptable, although the level of gowning of the patients and staff needs to be considered in the design
- Clinical practices seldom use explosive anaesthetic gases and the requirement for humidity control from this perspective is generally outdated. Direct humidity control is only required in a select few specialised areas. In general, humidity control is indirect, but the designer should consider the resultant humidity levels and the impact on comfort levels in the space.
Table 3: Specialist ventilation systems, provides a list of spaces that have particular temperature and humidity requirements that are critical to the effective provision of healthcare.
This page or section needs to be cleaned up. |
Zoning of a building
- Where the choice between a central and a local ventilation plant needs to be made, the following points should be considered:
- Fire compartmentalization
- Air-handling unit (AHU) sizing
- Duct sizing
- Occupancy schedules
- Occupancy activity levels
- Building, environmental and equipment heat loads
- Airborne contamination control
- Tenancy, functional unit or utility metering
- Zoning of ventilation systems has a large impact on ventilation efficiency and effectiveness.
- Fire compartmentalization
Minimum fresh air requirements
- For minimum fresh air requirements refer to the National Building Regulations and relevant IUSS Infrastructure Guidance Document. Where any apparent conflict between the functional requirements and the “deemed to satisfy” guidance emerges, the rational design route to regulatory compliance would need to be followed so as not to compromise any system’s functionality.
- Where odour control is a consideration, a ventilation rate of 10 litres per second per person may be used.
- Where airborne cross infection is controlled primarily through dilution and natural ventilation, medium and high risk areas require 60 or 160 litres per second per person respectively.
- Where airborne cross infection is controlled primarily through dilution and forced ventilation, medium and high risk areas require 60 or 80 litres per second per person respectively.
- Ventilation rates
- Air change rates per hour (AC/h) are specified in this document for a room with ceiling height of 3m. Where ceiling heights are increased these rates can be reduced, and vice versa.
- Minimum ventilation rates quoted as air changes per hour should be complied with together with the recommended rate of fresh air per occupant
- Supply-only vs balanced ventilation systems
- Supply-only ventilation systems do not supply air to all spaces individually, but instead supply air to only the least contaminated or most critical space. Air is then allowed to cascade from the “clean” core to adjacent and auxiliary spaces. Where this type of system is employed, it is critical to be aware of and control the risk of contamination generated in the clean core and permeating through the entire system. This type of system is not appropriate for thoracic and sepsis theatres or areas where unpleasant or noxious odours, fumes and vapours may be generated. It is also important to ensure and prove that the statutory conditions for ventilation and fresh air rates are met for all spaces.
- Supply-only ventilation systems do not supply air to all spaces individually, but instead supply air to only the least contaminated or most critical space. Air is then allowed to cascade from the “clean” core to adjacent and auxiliary spaces. Where this type of system is employed, it is critical to be aware of and control the risk of contamination generated in the clean core and permeating through the entire system. This type of system is not appropriate for thoracic and sepsis theatres or areas where unpleasant or noxious odours, fumes and vapours may be generated. It is also important to ensure and prove that the statutory conditions for ventilation and fresh air rates are met for all spaces.
17. Airborne contamination-control concepts
17.1. Airborne contamination control often requires the application of one or more of the concepts described below since airborne contaminants can be generated both internally and external to the controlled zone.
17.2. Barrier concept
17.2.1. The barrier concept relies on airtight enclosures to isolate the contamination source. Typical examples are glove boxes or barrier isolators.
17.3. Aerodynamic effects
17.3.1. The displacement concept relies on flushing contaminants away with high volumes of air at relatively low velocity.
17.3.2. The dilution concept involves reducing contamination levels in a space by diluting them with quantities of "clean" air. The ventilation rate required is a function of the required contamination level, the rate of generation of contaminants in the space, and the ventilation efficiency.
17.3.3. The pressure-differential concept relies on the pressure differential developed between spaces when "clean" air cascades through small orifices, such as door gaps and pressure-control dampers. The pressure differential, and resulting airflow developed, prevents contaminants from moving into higher pressure “clean” areas from lower pressure "dirty" areas. The following diagram gives indicative values for infiltration and exfiltration rates associated with varying pressure differentials (Pa) and opening sizes (m²)
Medical gas installations
Electrical installations
Electronic installations
Wet Services
Lifts
COMMISSIONING AND HANDOVER
Deliverables
Commissioning of ventilation systems
EXAMPLES
Mechanical system configurations
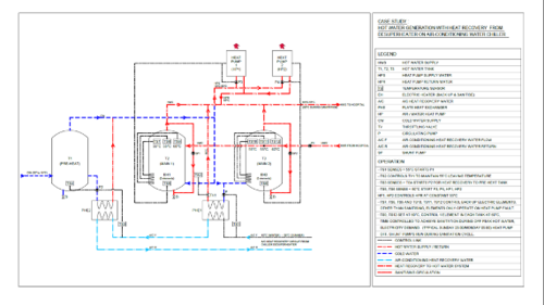
HOT WATER GENERATION SYSTEM

THEATRE VENTILATION SYSTEMS
The following examples indicate typical system configurations schematically.
UDAF Recirculation
REFERENCES
Applicable Regulations and Standards:
National Health Act 2004. (61 2003). Cape Town South Africa: Government Gazette.
Ammended Occupational Health and Safety Act 2004. (181 1993) South Africa: Department of Labour.
South African Bureau of Standards, 2009. SANS 10142-1:2008 The wiring of premises Part 1: Low-voltage installations. Pretoria South Africa: SABS Standards Division.
South African Bureau of Standards, 2003. SANS 10173:2003 The installation, testing and balancing of air-conditioning ductwork. Pretoria South Africa: SABS Standards Division.
South African Bureau of Standards, 2012. SANS 10252-1:2012 Water supply and drainage for buildings Part 1: Water supply installations for buildings. Pretoria South Africa: SABS Standards Division.
South African Bureau of Standards, 1993. SANS 10252-2:1993 Water supply and drainage for buildings Part 2: Drainage installations for buildings. Pretoria South Africa: SABS Standards Division.
South African Bureau of Standards, 1999. SANS 10313: 1999 Protection of structures against lightning. Pretoria South Africa: SABS Standards Division.
South African Bureau of Standards, 1990. SANS 10400-2: 1999 Code of Practice for The Application of the National Building Regulations. Pretoria South Africa: SABS Standards Division.
South African Bureau of Standards, 2005. SANS 1067-1:2005 Copper-based fittings for copper tubes Part 1: Compression fittings. Pretoria South Africa: SABS Standards Division.
South African Bureau of Standards, 2005. SANS 1067-2:2005 Copper-based fittings for copper tubes Part 2: Capillary solder fittings. Pretoria South Africa: SABS Standards Division.
South African Bureau of Standards, 2012. SANS 1091:2012 National colour standard. Pretoria South Africa: SABS Standards Division.
South African Bureau of Standards, 2005. SANS 1238:2005 Air-conditioning ductwork. Pretoria South Africa: SABS Standards Division.
South African Bureau of Standards, 2008. SANS 1409:2008 Outlet sockets and probes for medical (gas and vacuum) services used in hospitals. Pretoria South Africa: SABS Standards Division.
South African Bureau of Standards, 2008. SANS 1424:2008 Filters for use in air-conditioning and general ventilation. Pretoria South Africa: SABS Standards Division.
South African Bureau of Standards, 2011. SANS 1453:2011 Copper Tubes for Medical Gas and Vacuum systems. Pretoria South Africa: SABS Standards Division.
South African Bureau of Standards, 1999. SANS 14644-1:1999 Cleanrooms and associated controlled environments - Part 1: Classification of air cleanliness. Pretoria South Africa: SABS Standards Division.
South African Bureau of Standards, 2003. SANS 14644-2:2003 Cleanrooms and associated controlled environments - Part 2: Specifications for testing and monitoring to prove continued compliance with ISO 14644-1. Pretoria South Africa: SABS Standards Division.
South African Bureau of Standards, 2003. SANS 14644-4:2003 Cleanrooms and associated controlled environments - Part 4: Design, construction and start-up. Pretoria South Africa: SABS Standards Division.
South African Bureau of Standards, 1988. SANS 1474: 1988 Uninterruptible Power Supplies. Pretoria South Africa: SABS Standards Division.
South African Bureau of Standards, 2009. SANS 7396-1:2009 Medical gas pipeline systems Part 1: Pipeline systems for compressed medical gases and vacuum. Pretoria South Africa: SABS Standards Division.
South African Bureau of Standards, 2008. SANS 7396-2:2008 Medical gas pipeline systems Part 2: Part 2: Anaesthetic gas scavenging disposal systems. Pretoria South Africa: SABS Standards Division.
- All local Municipal laws and regulations,
- ISO 14644-3:, Cleanrooms and associated controlled environments - Part 3: Test Methods Australasian Health Infrastructure Alliance,2006. Australasian Health Facility guidelines [online] Available at: http://healthfacilityguidelines.com/guidelines.htm [Accesed ...].
- ISO/DIS 5359. Anaesthetic and respiratory equipment - Low-pressure hose assemblies for use with medical gases,
- National Health Act, 2004 (Act No. 61 of 2003).
- Occupational Health and Safety Act, of 1993
- Regulations of the Local Electricity Authority,
- SANS 10114: Lighting Requirements,
- SANS 10142-1: The wiring of premises Part 1: Low-voltage installations,
- SANS 10173: The installation, testing and balancing of air-conditioning ductwork,
- SANS 10224: Non-flammable medical gas pipeline,
- SANS 10252-1: Water supply and drainage for buildings Part 1: Water supply installations for buildings,
- SANS 10252-2: Water supply and drainage for buildings Part 2: Drainage installations for buildings,
- SANS 10313: 1999 Protection of structures against lightning,
- SANS 10400: Code of Practice for The Application of the National Building Regulations,
- SANS 1067: Copper-based fittings for copper tubes Part 1: Compression fittings,
- SANS 1067: Copper-based fittings for copper tubes Part 2: Capillary solder fittings,
- SANS 1091: Colour Coding of Services,
- SANS 1140: Identification colour marking Part 4: Contents of taps and valves in laboratories,
- SANS 1238: Air-conditioning ductwork,
- SANS 1409: Outlet sockets and probes for medical (gas and vacuum) services used in hospitals,
- SANS 1409: Part 3 Handling and storage of Medical Gas,
- SANS 1424: Filters for use in air-conditioning and general ventilation,
- SANS 1453: Copper Tubes for Medical Gas and Vacuum systems,
- SANS 14644-1, Cleanrooms and associated controlled environments - Part 1: Classification of air cleanliness,
- SANS 14644-2, Cleanrooms and associated controlled environments - Part 2: Specifications for testing and monitoring to prove continued compliance with ISO 14644-1
- SANS 14644-4, Cleanrooms and associated controlled environments - Part 4: Design, construction and start-up,
- SANS 1474: 1988 Uninterruptible Power Supplies,
- SANS 7396-1: Medical gas pipeline systems Part 1: Pipeline systems for compressed medical gases and vacuum,
- SANS 7396-2: Medical gas pipeline systems Part 2: Part 2: Anaesthetic gas scavenging disposal systems,
- SANS 50081: Safety rules for the construction and installation of lifts — Particular applications for passenger and goods lifts,
- Any other applicable Laws or Regulations.
Chartered Institution of Building Services Engineers (CIBSE), 1999. Environmental design CIBSE Guide A. London: CIBSE.
Chartered Institution of Building Services Engineers (CIBSE), 2005. CIBSE Applications Manual AM10 Natural ventilation in non-domestic buildings. London: CIBSE.
Chartered Institution of Building Services Engineers (CIBSE), 2008. Lighting Guide 2: Hospitals and health care buildings. England: The Society of Light and Lighting.
American Society of Heating, Refrigerating and Air-Conditioning Engineers (ASHRAE), 2009. ANSI/ASHRAE/ASHE Standard 170-2008 Ventilation of
Health Care Facilities. Atlanta USA:ASHRAE.
American Society of Heating, Refrigerating and Air-Conditioning Engineers (ASHRAE), 2013. HVAC Design Manual for Hospitals and Clinics Second Edition. Atlanta USA:ASHRAE.
Further reading
- http://www.spaceforhealth.nhs.uk/ (National Health Service NHS website for UK guidance) website closed now
- http://healthfacilityguidelines.com/guidelines.htm (Health Facility Guides website for Australasian Health Facility guidance)
- CIBSE Guide A – Environmental Design
- CIBSE Applications Manual for Natural Ventilation – AM10
- CIBSE Applications Manual for Mixed Mode Ventilation. – AM13
- CIBSE Lighting Guide 2: Hospitals and Health Care buildings
- ASHRAE 170:2008
- HVAC Design manual for Hospitals and Clinics Second Edition – ASHRAE TC 9.6, 2013
- CIBSE Commissioning Code A
- BSRIA Application Guide 3/89.1
- ↑ AM10: Natural ventilation in non domestic buildings, CIBSE, 2005, ISBN: 9781903287569
- ↑ Natural ventilation for infection control in health-care settings, WHO guidelines 2009
- ↑ de Dear, Richard; Brager, Gail (1998). "Developing an adaptive model of thermal comfort and preference". ASHRAE Transactions. 104 (1): 145–67.
LIST OF ABBREVIATIONS
A & E- Accident and Emergency Department
AHU- Air Handling Unit
CSSD- Central Sterile Supply Department
EMS- Emergency Medical Services
HCW- High Care Ward
HEPA- High Efficiency Particulate Air (filter)
ICU- Intensive Care Unit
NBR- National Building Regulations SABS 0400
NICU- Neonatal Intensive Care Unit
OT- Operating Theatre
SABS- South African Bureau of Standards
SANS- South African National Standards
SSO- Switched Socket Outlet
UDAF- Uni-Directional Air Flow
UPS- Uninterrupted Power Supply
URS- User Requirement Specification
LIST OF DEFINITIONS
For the purposes of these regulations, unless the context otherwise indicates-
“barrier isolator” refers to a device comprising an physical film separating an operator or clinician from a work process. The work process is maintained within an isolated environment which may be held at a positive or negative pressure.
"Central Sterile Supply Department (CSSD)" means a facility for the receiving, decontamination, preparation, packing, sterilizing, storing and issuing of sterile and disinfected instruments and other reusable materials. This facility is also known as the "sterilisation and disinfection unit"(SDU);
"cleaners' room" means a room for the storage of cleaning equipment, the drawing of clean water and the disposal of dirty water, washing and drying of cleaning equipment. This room may be combined with the dirty utility room;
"clean air" means air that does not contain a considered contaminant;
"clean utility room" means a room for the storage of sterilized packs, dressings-, sterile equipment and pharmaceutical supplies respectively; This area may also be used for a set-up area for ward procedures;
"considered contaminant" means any actual contaminant, surface or airborne, which may have a certain impact which for which measures are taken to avoid;
"cross contamination" refers to the contamination of any zone or surface by fomites, considered particulates aerosols, biological agents, fumes or gasses originating from another zone or surface.
"cross infection" refers to the spreading of an infection from one organism to another by cross contamination.
"department" means a grouping of accommodation which has a specific function within a hospital. Its area includes the associated internal or departmental circulation space
"dirty utility room" means a room used for collection and temporary storage of used equipment and general ward material; it can combine the activities of the sluice room, the soiled linen and waste room and the cleaners' room;
"emergency trolley/crash cart" means a mobile cart used for the storage of all appropriate resuscitation equipment and pharmaceuticals;
"equipment store" means a room used for the storing of monkey chains, traction kits and other general equipment;
"fresh air" means air drawn from outside air of a building and contamination sources;
"high care ward" refers to a ward for the care and management of specific types of patients requiring a minimum of eight hours nursing care per patient day;
"holding area" means an area or room where pre-operative patients in transit to a procedure room/theatre are identified and continuously monitored by nursing personnel;
"induction room" means an area where patients are prepared for surgery/invasive procedures prior to being transferred to the operating theatre;
"intensive care unit" means a unit designed, staffed and equipped for the care and management of specific patients, (e.g. medical, cardiac or post-operative) requiring a minimum of twelve hours nursing care per patient day or for the care of a patient who requires ventilation, continuous invasive monitoring, invasive care, or who is clinically unstable and whose life is at risk;
"main kitchen" means a facility suitably finished and equipped for the receipt, storage and preparation of meals, special diets and beverages;
"maternity unit" means a unit where antenatal care is provided, babies are delivered and postnatal care is given to mothers and infants;
" midwife obstetric unit (MOU)" means a maternity unit usually attached to a clinic or a community health centre (CHC), which is staffed by nursing sisters or midwives;
“milk kitchen” means an area for the preparation of feeds for babies which must be separate from the hospital kitchen or ward kitchen. It must contain a clinical wash hand basin;
"mortuary" means a facility that receives, holds and allows for the identification of bodies of patients who died in the wards, theatre or casualty department, or who were dead on arrival at the facility; a facility which complies with the
"neonatal unit" means a facility for premature and new born babies requiring incubation, specific care and monitoring;
"nurse station" means the control point for all activities in the patient care areas;
"nursing unit or ward" means a unit with the facilities to accommodate patients as specified in this regulation;
"operating room” means a room within an operating theatre suite in which surgical or other invasive procedures are carried out;
"operating suite" refers to rooms within the demarcated area where surgical interventions are performed or support is provided to these surgical activities;
"patient room" means a room where the patient can be accommodated;
"procedure room" means a room in which certain restricted procedures generally taking less than one hour can be performed without making use of general anaesthetic, e.g. endoscopies, procedures under local anaesthetic such as suturing of lacerations, removal of skin lesions, biopsies, closed reductions and other similar procedures; May be situated outside the operating suite;
"recovery room/ area" means the section of the operating suite specially set aside for the immediate post-operative recovery, resuscitation, nursing and special care of patients, until such time as such patients are considered to have recovered sufficiently to be safely removed from the operating suite;
"sluice room” means a room used for the emptying, cleaning and storage of bedpans and urine bottles; It can be combined with the activities of the soiled linen and cleaners' rooms in the dirty utility room;
“specialised area” means any clinical area rendering specialised services such as intensive care, high care, or rehabilitation, for which additional space around the patient is required;
"soiled linen and waste room" means a room used for the collection and temporary storage of soiled linen and waste; May be combined with the dirty utility room
"treatment room" means a room used for treatment of patients in the wards, containing a clinical wash hand basin;
“ventilation” means “The process of supplying air to or removing air from a space for the purpose of controlling air contaminant levels, humidity or temperature within the space”. ASHRAE Standard 62.1-2007, Section 3
“validation” means the method of proving and documenting that an installed system or process performs reliably as intended and required.
“natural ventilation” means “Ventilation provided by thermal, wind, or diffusion effects through doors windows or other intentional openings in the building." ASHRAE Standard 62.1-2007, Section 3
"ward kitchen” means the room that forms an integral part of a nursing unit or units, for the preparation of snacks and beverages; It also includes the area for the heating, storage and refrigeration of meals;
"uninterrupted power supply" means a battery system, which in the event of a normal mains supply failure will provide immediately the electrical supply for essential equipment and lighting.
